剎車調(diào)速電機15W

|
出力
|
|
允許力矩
|
起動力矩
|
/耐壓
|
||||||||||
|
1200r/min時
|
90r/min時
|
|||||||||||||
|
W
|
V
|
Hz
|
P
|
r/min
|
N.m
|
Kgf.cm
|
N.m
|
Kgf.cm
|
N.m
|
Kgf.cm
|
μF/VAC
|
|||
|
31K15RA-A
|
31K15RGN-A
|
15
|
1ph110
|
50
|
4
|
90-1350
|
0.12
|
1.20
|
0.04
|
0.35
|
0.06
|
0.55
|
5.0/250
|
|
|
31K15RA-C
|
31K15RGN-C
|
15
|
1ph220
|
50
|
4
|
90-1350
|
0.12
|
1.20
|
0.04
|
0.35
|
0.06
|
0.55
|
1.2/450
|
|
|
5R15RA-A
|
3RK15RGN-A
|
15
|
1ph110
|
50
|
4
|
30Min
|
90-1350
|
0.13
|
1.30
|
0.40
|
0.40
|
0.07
|
0.65
|
6.0/250
|
|
5RK15RA-C
|
3RK15RGN-C
|
15
|
1ph220
|
50
|
4
|
30Min
|
90-1350
|
0.13
|
1.30
|
0.40
|
0.40
|
0.07
|
0.65
|
1.5/450
|

|
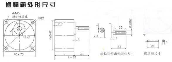
齒
輪
箱
|
L(mm)
|
重量(kg)
|
|
|
3GN3K-GN18K
|
32
|
0.38
|
|
|
3GN20K-GN50K
|
42
|
0.47
|
|
|
3GN60K-GN200K
|
0.52
|
||
|
3RK15RGU
|
127.5
|
1.30
|
|
i
|
3
|
3.6
|
5
|
6
|
7.5
|
9
|
10
|
12.5
|
15
|
18
|
20
|
25
|
30
|
|||||||||||||||
|
50Hz
|
r/min
|
500
|
417
|
300
|
250
|
200
|
166
|
150
|
120
|
100
|
83
|
75
|
60
|
50
|
||||||||||||||
|
允許力矩
|
N.m
|
0.31
|
0.38
|
0.53
|
0.64
|
0.79
|
0.95
|
1.06
|
1.32
|
1.59
|
1.90
|
1.90
|
2.37
|
2.85
|
||||||||||||||
|
kgf.cm
|
3.2
|
3.9
|
5.4
|
6.5
|
8.1
|
9.7
|
10.8
|
13.5
|
16.2
|
19.4
|
19.4
|
24.2
|
29.1
|
|||||||||||||||
|
60Hz
|
r/min
|
600
|
500
|
360
|
300
|
240
|
200
|
180
|
140
|
120
|
100
|
90
|
72
|
60
|
||||||||||||||
|
允許力矩
|
N.m
|
0.29
|
0.35
|
0.50
|
0.60
|
0.75
|
0.89
|
0.99
|
1.25
|
1.49
|
1.79
|
1.79
|
2.24
|
2.68
|
||||||||||||||
|
Kgf.com
|
3.0
|
3.6
|
5.1
|
6.1
|
7.6
|
9.1
|
10.1
|
12.7
|
15.2
|
18.2
|
18.2
|
22.8
|
27.3
|
|||||||||||||||
|
i
|
36
|
40
|
50
|
60
|
75
|
90
|
100
|
120
|
150
|
180
|
200
|
|||||||||||||||||
|
50Hz
|
r/min
|
41
|
37
|
30
|
25
|
20
|
16
|
15
|
12
|
10
|
8
|
7.5
|
||||||||||||||||
|
允許力矩
|
N.m
|
3.42
|
3.81
|
4.28
|
4.90
|
4.90
|
4.90
|
4.90
|
4.90
|
4.90
|
4.90
|
4.90
|
||||||||||||||||
|
kgf.cm
|
34.9
|
38.8
|
43.6
|
50.0
|
50.0
|
50.0
|
50.0
|
50.0
|
50.0
|
50.0
|
50.0
|
|||||||||||||||||
|
60Hz
|
r/min
|
50
|
45
|
36
|
30
|
24
|
20
|
18
|
15
|
12
|
10
|
9
|
||||||||||||||||
|
允許力矩
|
N.m
|
3.22
|
3.58
|
4.02
|
4.83
|
4.90
|
4.90
|
4.90
|
4.90
|
4.90
|
4.90
|
4.90
|
||||||||||||||||
|
Kgf.com
|
32.8
|
36.5
|
41.0
|
49.2
|
50.0
|
50.0
|
50.0
|
50.0
|
50.0
|
50.0
|
50.0
|
|||||||||||||||||


