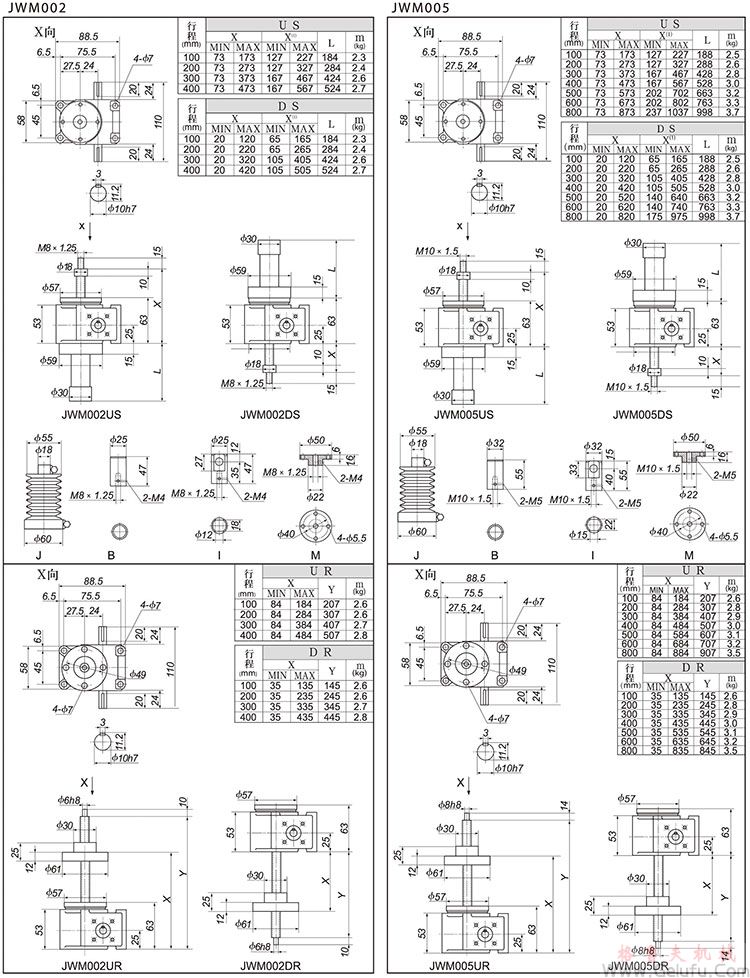
JWM梯形絲桿升降機(jī)概述
JWM梯形絲桿升降機(jī)概述





JWM許用橫向載荷Fr(N):
|
L(mm)
|
型號(hào)
|
|||||||||||
|
002
|
005
|
010
|
025
|
050
|
100
|
150
|
200
|
300
|
500
|
750
|
1000
|
|
|
Fr(N)
|
||||||||||||
|
100
|
83
|
128
|
318
|
570
|
2500
|
4010
|
4610
|
8210
|
38200
|
85300
|
73500
|
186200
|
|
200
|
42
|
64
|
159
|
290
|
1250
|
2010
|
2300
|
4110
|
23000
|
50400
|
56800
|
145000
|
|
300
|
28
|
43
|
106
|
190
|
830
|
1340
|
1540
|
2740
|
15300
|
33600
|
46100
|
104700
|
|
400
|
21
|
32
|
79
|
140
|
620
|
1000
|
1150
|
2050
|
11400
|
25200
|
39300
|
78500
|
|
500
|
|
27
|
64
|
110
|
500
|
800
|
920
|
1640
|
9100
|
20200
|
33900
|
62800
|
|
600
|
|
25
|
53
|
100
|
420
|
670
|
770
|
1370
|
7600
|
16800
|
29900
|
52300
|
|
700
|
|
23
|
51
|
90
|
360
|
570
|
660
|
1170
|
6500
|
14400
|
26700
|
44800
|
|
800
|
|
21
|
48
|
90
|
310
|
500
|
580
|
1030
|
5700
|
12600
|
24100
|
39200
|
|
900
|
|
|
45
|
90
|
280
|
450
|
510
|
910
|
5000
|
11200
|
22000
|
34800
|
|
1000
|
|
|
42
|
90
|
250
|
400
|
460
|
820
|
4500
|
10100
|
20200
|
31300
|







|
型號(hào)
|
A
|
B
|
C
|
D
|
E
|
F
|
|
002
|
75
|
60
|
15
|
64
|
12
|
25
|
|
005
|
75
|
60
|
15
|
64
|
12
|
25
|
|
010
|
75
|
60
|
15
|
86
|
15
|
35
|
|
025
|
100
|
75
|
20
|
115
|
20
|
45
|
|
050
|
105
|
75
|
25
|
158
|
25
|
58
|
|
100
|
145
|
100
|
40
|
201
|
30
|
76.3
|
|
150
|
155
|
105
|
50
|
224
|
44
|
76.3
|
|
200
|
173
|
110
|
63
|
244
|
50
|
89.1
|

|
型號(hào)
|
M
|
N
|
O
|
P
|
Q
|
R
|
S
|
T
|
U
|
V
|
W
|
X
|
|
002
|
130
|
100
|
12
|
100
|
118.5
|
2-φ12
|
15
|
15
|
28
|
30
|
15
|
—
|
|
005
|
130
|
100
|
12
|
100
|
118.5
|
2-φ12
|
15
|
15
|
28
|
30
|
15
|
—
|
|
010
|
180
|
130
|
15
|
150
|
178
|
2-φ18
|
15
|
25
|
40
|
45
|
17
|
—
|
|
025
|
180
|
130
|
15
|
150
|
178
|
2-φ18
|
20
|
25
|
40
|
45
|
30
|
—
|
|
050
|
200
|
150
|
15
|
170
|
200
|
2-φ18
|
25
|
25
|
40
|
45
|
35
|
—
|
|
100
|
280
|
220
|
22
|
240
|
290
|
4-φ22
|
40
|
159
|
30
|
70
|
70
|
55
|
|
150
|
360
|
280
|
27
|
300
|
360
|
4-φ33
|
50
|
195
|
40
|
85
|
85
|
70
|
|
200
|
400
|
320
|
30
|
380
|
450
|
4-φ33
|
63
|
210
|
40
|
90
|
90
|
75
|

|
型號(hào)
|
NV80
|
NV100
|
NV200
|
NV280
|
NV450
|
|||||
|
HD
|
HL
|
HD
|
HL
|
HD
|
HL
|
HD
|
HL
|
HD
|
HL
|
|
|
JWM002
|
80
|
108
|
—
|
—
|
—
|
—
|
—
|
—
|
—
|
—
|
|
JWM005
|
80
|
108
|
—
|
—
|
—
|
—
|
—
|
—
|
—
|
—
|
|
JWM010
|
80
|
122
|
100
|
125
|
—
|
—
|
—
|
—
|
—
|
—
|
|
JWM025
|
—
|
—
|
100
|
140
|
200
|
198
|
—
|
—
|
—
|
—
|
|
JWM050
|
—
|
—
|
—
|
—
|
200
|
221
|
280
|
229
|
—
|
—
|
|
JWM100
|
—
|
—
|
—
|
—
|
—
|
—
|
280
|
242
|
450
|
295
|
|
JWM150
|
—
|
—
|
—
|
—
|
—
|
—
|
280
|
247
|
450
|
300
|
|
JWM200
|
—
|
—
|
—
|
—
|
—
|
—
|
—
|
—
|
450
|
304
|
