R147減速機產品簡介及適用范圍



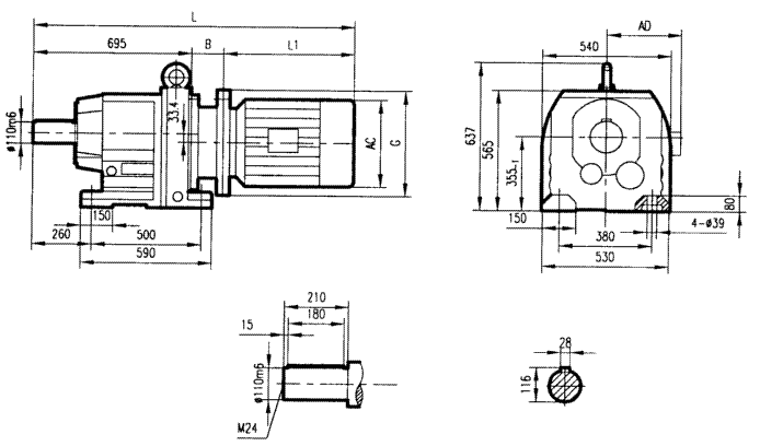
GR147減速機安裝結構尺寸

|
電機機座號
|
160M
|
160L
|
180M
|
180L
|
200
|
225S
|
225M
|
250
|
280S
|
280M
|
|
AC
|
330
|
330
|
380
|
380
|
420
|
470
|
470
|
510
|
580
|
580
|
|
AD
|
255
|
255
|
280
|
280
|
305
|
335
|
335
|
370
|
410
|
410
|
|
B
|
120
|
120
|
120
|
120
|
139
|
169
|
169
|
192.5
|
192.5
|
192.5
|
|
G
|
350
|
350
|
350
|
350
|
400
|
450
|
450
|
550
|
550
|
550
|
|
L1
|
505
|
560
|
590
|
630
|
660
|
675
|
705
|
770
|
845
|
895
|
|
L
|
1310
|
1375
|
1405
|
1445
|
1494
|
1539
|
1569
|
1657.5
|
1732.5
|
1782.5
|