FF67減速機系列平行軸-斜齒輪減速電機產品特性
GFF67減速機系列機型號表示方法



GFF67減速機系列平行軸-斜齒輪減速電機安裝形式圖例定義
GFF67減速機安裝形式圖例

GFF67減速機/GFAF67減速機安裝形式圖例

GFAT67減速機/GFA67減速機安裝形式圖例

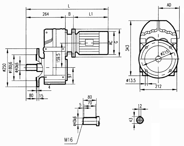
GFF67減速機安裝結構尺寸

|
電機機座號
|
63
|
71
|
80
|
90S
|
90L
|
100L
|
112M
|
132S
|
|
AC
|
130
|
145
|
175
|
195
|
195
|
215
|
240
|
275
|
|
AD
|
70
|
80
|
145
|
155
|
155
|
180
|
190
|
210
|
|
B
|
44.5
|
50
|
69
|
69
|
69
|
81
|
81
|
93
|
|
G
|
140
|
160
|
200
|
200
|
200
|
250
|
250
|
300
|
|
L1
|
207
|
225
|
255
|
270
|
295
|
325
|
340
|
390
|
|
L
|
525.5
|
539
|
588
|
603
|
628
|
670
|
685
|
747.5
|