K127減速機系列斜齒輪-弧齒錐齒輪減速電機的產品簡介及使用范圍
K127減速機系列斜齒輪弧齒錐齒輪減速電機安裝形式圖例
各種安裝形式定義為:

GK127減速機/GKAB127減速機系列斜齒輪弧齒錐齒輪減速電機安裝形式圖

GKF127減速機/GKAF127減速機系列斜齒輪弧齒錐齒輪減速電機安裝形式圖

GKAT127減速機/GKA127減速機系列斜齒輪弧齒錐齒輪減速電機安裝形式圖

GK127減速機系列斜齒輪弧齒錐齒輪減速電機型號表示法及型號示例


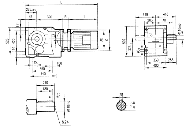
GK127減速機安裝尺寸圖/K型斜齒輪弧齒錐齒輪減速電機安裝結構圖尺寸

|
電機機座號
|
132M
|
160M
|
160L
|
180M
|
180L
|
200
|
225S
|
225M
|
250M
|
280S
|
280M
|
|
AC
|
275
|
330
|
330
|
380
|
380
|
420
|
470
|
470
|
510
|
580
|
580
|
|
AD
|
210
|
255
|
255
|
280
|
280
|
305
|
335
|
335
|
370
|
410
|
410
|
|
B
|
98.5
|
120
|
120
|
120
|
120
|
139
|
169
|
169
|
192.5
|
192.5
|
192.5
|
|
G
|
300
|
350
|
350
|
350
|
350
|
400
|
450
|
450
|
550
|
550
|
550
|
|
L1
|
430
|
505
|
560
|
590
|
630
|
660
|
675
|
705
|
770
|
845
|
895
|
|
L
|
1143.5
|
1240
|
1295
|
1325
|
1365
|
1414
|
1459
|
1489
|
1577.5
|
1652.5
|
1702.5
|