
|
中
心
距
|
尺寸
|
||||||||||||||||||||||||||||||
|
安裝尺寸
|
輸入軸尺寸
|
輸出軸為空心軸尺寸
|
輸出軸尺寸
|
電機(jī)直聯(lián)
|
總體尺寸
|
||||||||||||||||||||||||||
|
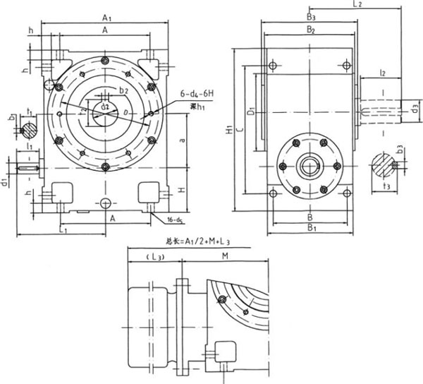
a
|
A
|
B
|
C
|
H
|
h
|
d5
|
D
|
D1
(h8)
|
d4
|
h1
|
d1
|
b1
|
t1
|
l1
|
L1
|
d2
(H7)
|
b2
|
t2
|
B2
|
B3
|
d3
|
b3
|
t3
|
l2
|
L2
|
M
|
L5
|
A1
|
B1
|
H1
|
|
|
63
|
63
|
134
|
100
|
170
|
60
|
12
|
12
|
102
|
80
|
M8
|
16
|
19js6
|
6
|
21.5
|
28
|
128
|
30
|
8
|
33.3
|
132
|
140
|
32k6
|
10
|
35
|
58
|
135
|
140
|
按
電
機(jī)
|
194
|
126
|
230
|
|
80
|
80
|
162
|
110
|
235
|
70
|
14
|
12
|
125
|
100
|
M8
|
16
|
24js6
|
8
|
27
|
36
|
151
|
40
|
12
|
43.3
|
144
|
150
|
38k6
|
10
|
41
|
58
|
143
|
168
|
230
|
138
|
300
|
|
|
100
|
100
|
190
|
150
|
245
|
85
|
20
|
14.5
|
150
|
120
|
M10
|
20
|
28js6
|
8
|
31
|
42
|
182
|
50
|
14
|
53.8
|
184
|
190
|
42k6
|
12
|
45
|
82
|
182
|
183
|
270
|
178
|
325
|
|
|
125
|
125
|
214
|
170
|
290
|
105
|
25
|
18
|
210
|
180
|
M12
|
24
|
32k6
|
10
|
35
|
58
|
218
|
60
|
18
|
64.4
|
210
|
214
|
55k6
|
16
|
59
|
82
|
198
|
205
|
314
|
202
|
380
|
|
|
140
|
140
|
235
|
190
|
330
|
115
|
25
|
18
|
235
|
200
|
M12
|
24
|
38k6
|
10
|
41
|
58
|
228
|
65
|
18
|
69.4
|
232
|
240
|
60m6
|
18
|
64
|
105
|
260
|
220
|
325
|
220
|
420
|
|
|
160
|
160
|
286
|
200
|
360
|
115
|
25
|
18
|
270
|
220
|
M12
|
24
|
42k6
|
12
|
45
|
82
|
277
|
70
|
20
|
74.9
|
240
|
250
|
65m6
|
18
|
69
|
105
|
239
|
248
|
386
|
230
|
460
|
|
|
180
|
180
|
290
|
206
|
415
|
150
|
35
|
22
|
290
|
245
|
M16
|
30
|
42k6
|
12
|
45
|
82
|
292
|
80
|
22
|
85.4
|
270
|
275
|
75m6
|
20
|
79.5
|
105
|
270
|
284
|
420
|
246
|
545
|
|
|
200
|
200
|
320
|
224
|
420
|
148
|
40
|
22
|
320
|
245
|
M16
|
30
|
48k6
|
14
|
51.5
|
82
|
324
|
85
|
22
|
90.4
|
288
|
290
|
80m6
|
22
|
85
|
130
|
280
|
300
|
480
|
264
|
580
|
|
|
330
|
|||||||||||||||||||||||||||||||
|
225
|
225
|
350
|
255
|
480
|
150
|
40
|
26
|
360
|
265
|
M16
|
30
|
48k6
|
14
|
51.5
|
82
|
342
|
95
|
25
|
100.4
|
314
|
320
|
90m6
|
25
|
95
|
130
|
325
|
325
|
510
|
300
|
640
|
|
|
250
|
250
|
400
|
270
|
510
|
150
|
45
|
26
|
420
|
280
|
M16
|
30
|
55k6
|
16
|
59
|
82
|
380
|
105
|
28
|
111.4
|
328
|
336
|
100m6
|
28
|
106
|
165
|
350
|
390
|
590
|
314
|
680
|
|
|
280
|
280
|
460
|
290
|
570
|
165
|
50
|
33
|
450
|
350
|
M20
|
38
|
60k6
|
18
|
64
|
105
|
450
|
115
|
32
|
122.4
|
354
|
360
|
110m6
|
28
|
116
|
165
|
380
|
460
|
680
|
340
|
790
|
|
|
315
|
315
|
530
|
325
|
680
|
195
|
50
|
33
|
520
|
380
|
M20
|
38
|
65k6
|
18
|
69
|
105
|
470
|
125
|
32
|
132.4
|
392
|
400
|
120m6
|
32
|
127
|
165
|
400
|
490
|
720
|
380
|
870
|
|