
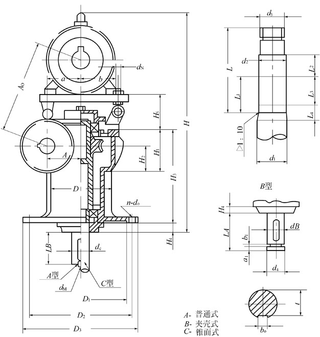
|
機型號
|
A
|
A0
|
D
|
H1
|
H2
|
H3
|
H4
|
H5
|
H
max
|
a
|
b
|
dN
|
D1
(H8)
|
D2
|
D3
|
dM
|
n-d0
|
lA
|
lB
|
||
|
dA dB dc
|
dmax
|
||||||||||||||||||||
|
W100-200
|
40
|
50
|
100
|
-280
|
220
|
130
|
70
|
220
|
35
|
105
|
570
|
100
|
110
|
16
|
270
|
305
|
340
|
8-8
|
80
|
58
|
|
|
W100-250
|
50
|
60
|
280
|
630
|
95
|
70
|
|||||||||||||||
|
W125-300
|
60
|
70
|
125
|
-300
|
270
|
150
|
80
|
330
|
40
|
115
|
760
|
130
|
160
|
20
|
316
|
360
|
400
|
8-18
|
125
|
90
|
|
|
W160-400
|
70
|
85
|
160
|
-375
|
340
|
170
|
90
|
430
|
40
|
130
|
875
|
155
|
170
|
20
|
360
|
410
|
460
|
8-18
|
125
|
90
|
|
|
W200-500
|
90
|
95
|
200
|
-470
|
400
|
210
|
115
|
530
|
45
|
135
|
1095
|
180
|
205
|
24
|
420
|
470
|
520
|
12-23
|
165
|
150
|
|
|
W200-550
|
580
|
1145
|
|||||||||||||||||||
|
機型號
|
b0
|
t
|
d1
|
d2
|
d3
|
L1
|
L2
|
L3
|
L4
|
L
|
重量(kg)
|
|
W100-200
|
12
|
35
|
55
|
45
|
M36×1.5
|
140
|
90
|
105
|
70
|
255
|
85
|
|
W100-250
|
14
|
44.5
|
60
|
50
|
M42×1.5
|
200
|
90
|
165
|
70
|
315
|
95
|
|
W125-300
|
18
|
53
|
70
|
60
|
M52×1.5
|
230
|
100
|
190
|
80
|
370
|
189
|
|
W160-400
|
20
|
62.5
|
85
|
75
|
M60×2
|
330
|
100
|
270
|
100
|
470
|
250
|
|
W200-500
|
25
|
81
|
95
|
85
|
M72×2
|
415
|
120
|
340
|
120
|
575
|
420
|
|
W200-550
|
465
|
390
|
120
|
625
|
480
|