
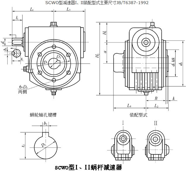
|
a
|
d3
|
i<16
|
i≥16
|
D2(H7)
|
|||||||||
|
d1(j6)
|
l1
|
b1
|
t1
|
L1
|
d1(j6)
|
l1
|
b1
|
t1
|
L1
|
||||
|
SCWO 63
|
63
|
150
|
19
|
28
|
6
|
21.5
|
128
|
19
|
28
|
6
|
21.5
|
128
|
30
|
|
SCWO80
|
80
|
175
|
24
|
36
|
8
|
27
|
151
|
24
|
36
|
8
|
27
|
151
|
40
|
|
SCWO100
|
100
|
218
|
28
|
42
|
8
|
31
|
182
|
24
|
36
|
8
|
27
|
176
|
50
|
|
b2
|
t2
|
L2
|
L3
|
L4
|
H1
|
H2
|
D1
|
D3
|
B
|
d2(h8)
|
k
|
m/kg
|
|
|
SCWO 63
|
8
|
33.3
|
70
|
97
|
95
|
60
|
220
|
102
|
M8×16
|
63
|
80
|
3
|
17
|
|
SCWO80
|
12
|
43.3
|
75
|
110
|
106
|
66
|
267
|
125
|
M8×16
|
69
|
100
|
3
|
24
|
|
SCWO100
|
14
|
53.8
|
86
|
130
|
140
|
85
|
325
|
150
|
M10×20
|
80
|
120
|
3
|
41
|