
|
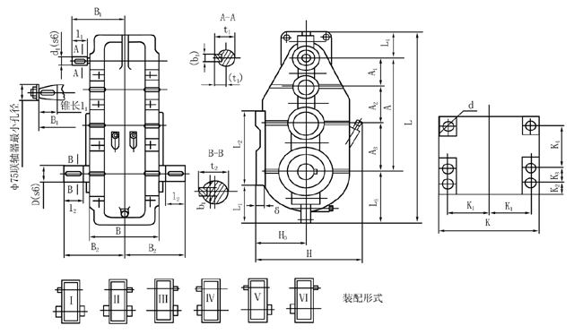
中心高
H0
|
||||||||||||||||||
|
A
|
A 1
|
A 2
|
A 3
|
L
|
B
|
H
|
低速軸
|
|||||||||||
|
d1
|
l 1
|
B1
|
b 1
|
t 1
|
D
|
l 2
|
B2
|
b 2
|
t 2
|
|||||||||
|
ZSC350
|
350
|
87
|
123
|
140
|
130
|
600
|
180
|
282
|
22
|
50
|
145
|
6
-0.036
|
24.2
|
45
|
70
|
170
|
14
-0.043
|
48.2
|
|
ZSC400
|
400
|
90
|
140
|
170
|
150
|
670
|
210
|
330
|
30
|
55
|
170
|
8
-0.036
|
33
|
65
|
85
|
205
|
18
0
0.043
|
70.5
|
|
ZSC600
|
600
|
150
|
200
|
250
|
235
|
965
|
312
|
481
|
35
|
55
|
220
|
10
-0.063
|
38.6
|
80
|
115
|
290
|
24
0
0.052
|
87
|
|
ZSC750
|
750
|
200
|
250
|
300
|
335
|
1220
|
374
|
653
|
50錐度
1:10
|
錐長(zhǎng)
85
|
342
|
16
-0.043
|
28
|
95
|
145
|
350
|
28
0
0.025
|
100.7
|
|
L1
|
L2
|
L3
|
L4
|
K
|
g
|
K1
|
K2
|
K3
|
K4
|
||||
|
ZSC350
|
110
|
290
|
155
|
98
|
195
|
25
|
77.5
|
135
|
—
|
220
|
21
|
4
|
76
|
|
ZSC400
|
100
|
340
|
170
|
100
|
230
|
25
|
95
|
25
|
—
|
280
|
21
|
4
|
165
|
|
ZSC600
|
165
|
410
|
250
|
115
|
340
|
30
|
140
|
30
|
120
|
230
|
21
|
6
|
329
|
|
ZSC750
|
210
|
580
|
350
|
120
|
400
|
35
|
165
|
40
|
120
|
380
|
25
|
6
|
452
|