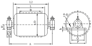
QYD型油冷式電動滾筒安裝尺寸
www.xuexigo.cn 格魯夫機(jī)械 2015-05-13 15:55:20
點(diǎn)擊:

|
D
|
B
|
L
|
A
|
H
|
M
|
h
|
P
|
Q
|
da
|
|
250
|
400
|
480
|
640
|
80
|
50
|
25
|
210
|
250
|
20
|
|
500
|
580
|
760
|
|
650
|
730
|
910
|
|
315
|
500
|
580
|
760
|
100
|
|
650
|
730
|
910
|
|
800
|
900
|
1100
|
|
400
|
500
|
580
|
760
|
120
|
70
|
270
|
330
|
27
|
|
650
|
730
|
910
|
|
800
|
900
|
1100
|