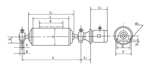
YZW315(320)、YZW400、YZW500、YZW630、YZW800、YZW1000、型外裝式電動滾筒外形及安裝尺寸

|
D
|
BB
|
A
|
L
|
L1
|
L2
|
H
|
M
|
N
|
P
|
Q
|
dS
|
h
|
L2
|
|
|
315(320)
|
500
|
850
|
600
|
≤732
|
按
電
機(jī)
|
120
|
90
|
|
340
|
280
|
27
|
35
|
Y100
Y112
|
131
|
|
650
|
1000
|
750
|
≤882
|
|||||||||||
|
800
|
1300
|
950
|
≤1032
|
Y132
|
151
|
|||||||||
|
400
|
500
|
850
|
600
|
≤744
|
120
|
90
|
|
340
|
280
|
27
|
35
|
Y100
Y112
|
131
|
|
|
650
|
1000
|
750
|
≤894
|
|||||||||||
|
800
|
1300
|
955
|
≤1044
|
Y132
|
151
|
|||||||||
|
500
|
500
|
850
|
600
|
≤748
|
100
|
70
|
|
340
|
280
|
27
|
35
|
Y100
Y112
|
131
|
|
|
620
|
Y132
|
147
|
||||||||||||
|
650
|
1000
|
750
|
≤900
|
120
|
90
|
Y160M
|
187
|
|||||||
|
800
|
1300
|
950
|
≤1100
|
120
|
90
|
Y160L
Y180
|
210
|
|||||||
|
630
|
650
|
1000
|
750
|
≤868
|
120
|
90
|
|
340
|
280
|
27
|
35
|
Y160M
|
194
|
|
|
800
|
1300
|
950
|
≤1068
|
140
|
130
|
80
|
400
|
330
|
27
|
35
|
Y160L
Y180
|
205
|
||
|
1000
|
1500
|
1150
|
≤1268
|
140
|
130
|
80
|
400
|
330
|
27
|
35
|
||||
|
Y200
|
203
|
|||||||||||||
|
1200
|
1750
|
1400
|
≤1514
|
160
|
160
|
90
|
440
|
360
|
34
|
50
|
||||
|
Y225
|
238
|
|||||||||||||
|
1400
|
2000
|
1600
|
≤1720
|
160
|
160
|
90
|
440
|
360
|
34
|
50
|
||||
|
800
|
1000
|
1500
|
1150
|
≤1268
|
140
|
145
|
80
|
400
|
330
|
27
|
35
|
Y160
Y180
|
200
|
|
|
1200
|
1750
|
1400
|
≤1514
|
160
|
160
|
90
|
440
|
360
|
34
|
50
|
Y200
|
210
|
||
|
1400
|
2000
|
1600
|
≤1720
|
160
|
160
|
90
|
440
|
360
|
34
|
50
|
Y225
|
240
|
||
|
1000
|
1000
|
1500
|
1150
|
≤1268
|
140
|
145
|
80
|
400
|
330
|
27
|
35
|
Y160
Y180
|
200
|
|
|
1200
|
1750
|
1400
|
≤1514
|
160
|
160
|
90
|
440
|
360
|
34
|
50
|
Y200
|
210
|
||
|
1400
|
2000
|
1600
|
≤1720
|
160
|
160
|
90
|
440
|
360
|
34
|
50
|
Y225
|
240
|
||