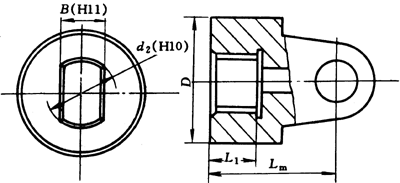
WSH型滑動軸承十空軸式萬向聯(lián)軸機(jī)主、從動端聯(lián)接型式尺寸
www.xuexigo.cn 格魯夫機(jī)械 2015-05-14 10:46:26
點擊:
WSH型滑動軸承十空軸式萬向聯(lián)軸器主、從動端聯(lián)接型式
|
|
WSH4
|
WSH5
|
WSH6
|
WSH7
|
WSH8
|
WSH9
|
WSH10
|
WSH11
|
WSH12
|
WSH13
|
WSH14
|
WSH15
|
WSH16
|
|
|
12.5
|
20
|
40
|
63
|
90
|
125
|
180
|
250
|
355
|
500
|
710
|
1000
|
1400
|
|
|
6.3
|
10
|
20
|
31.5
|
45
|
63
|
90
|
125
|
180
|
250
|
355
|
500
|
700
|
|
|
180
|
200
|
225
|
250
|
285
|
315
|
350
|
390
|
440
|
490
|
550
|
620
|
680
|
|
大軸向折角/(°)
|
15°
|
|
|
|
|
|
t
|
D
|
180
|
200
|
225
|
250
|
285
|
315
|
350
|
390
|
440
|
490
|
550
|
620
|
680
|
|
D1
|
155
|
|
196
|
218
|
245
|
280
|
310
|
345
|
390
|
435
|
492
|
555
|
635
|
|
D2
|
105
|
|
135
|
150
|
170
|
185
|
210
|
235
|
255
|
275
|
320
|
380
|
550
|
|
d
|
17
|
|
17
|
19
|
21
|
23
|
23
|
25
|
28
|
31
|
31
|
38
|
25
|
|
Lm
|
110
|
|
120
|
140
|
160
|
180
|
194
|
215
|
260
|
270
|
305
|
340
|
335/360
|
|
t
|
5
|
|
5
|
6
|
7
|
8
|
8
|
8
|
10
|
12
|
12
|
12
|
|
|
k
|
17
|
|
20
|
25
|
27
|
32
|
35
|
40
|
42
|
47
|
50
|
55
|
55
|
|
b
|
|
|
30
|
40
|
40
|
40
|
50
|
70
|
80
|
90
|
100
|
100
|
|
|
n
|
8
|
|
8
|
8
|
8
|
10
|
10
|
10
|
16
|
16
|
16
|
10
|
24
|
|
d
|
D
|
180
|
200
|
225
|
250
|
285
|
315
|
350
|
390
|
440
|
490
|
550
|
620
|
680
|
|
D1
|
152
|
170
|
193
|
212
|
252
|
277
|
310
|
316
|
396
|
442
|
498
|
560
|
|
|
D2
|
121
|
133
|
146
|
168
|
180
|
203
|
219
|
245
|
273
|
299
|
351
|
402
|
|
|
D3
|
105
|
120
|
135
|
150
|
170
|
185
|
210
|
235
|
255
|
275
|
320
|
380
|
|
|
Lm
|
100
|
110
|
120
|
140
|
160
|
180
|
194
|
215
|
260
|
270
|
305
|
340
|
|
|
K
|
16
|
18
|
20
|
23
|
25
|
29
|
32
|
35
|
39
|
44
|
49
|
55
|
|
|
d
|
13
|
15
|
17
|
19
|
17
|
19
|
21
|
23
|
23
|
25
|
28
|
31
|
|
|
|
36
|
36
|
48
|
46
|
60
|
60
|
72
|
72
|
90
|
90
|
120
|
120
|
|
|
|
4
|
4
|
4
|
4
|
6
|
6
|
6
|
6
|
12
|
12
|
12
|
12
|
|
|
y
|
D
|
160
|
190
|
220
|
260
|
300
|
350
|
400
|
425
|
450
|
500
|
550
|
600
|
650
|
|
L1
|
167
|
202
|
242
|
282
|
330
|
380
|
380
|
450
|
450
|
540
|
540
|
540
|
540
|
|
Lm
|
280
|
310
|
350
|
410
|
470
|
540
|
560
|
640
|
670
|
760
|
800
|
830
|
850
|
|
d2
|
110
|
140
|
160
|
190
|
200
|
220
|
250
|
290
|
320
|
360
|
420
|
440
|
480
|
|
z
|
D
|
160
|
190
|
220
|
260
|
300
|
350
|
400
|
425
|
450
|
500
|
550
|
600
|
650
|
|
L1
|
167
|
202
|
242
|
282
|
330
|
380
|
380
|
450
|
450
|
540
|
540
|
540
|
540
|
|
Lm
|
280
|
310
|
350
|
410
|
470
|
540
|
560
|
640
|
670
|
760
|
800
|
830
|
850
|
|
d2
|
110
|
140
|
160
|
190
|
200
|
220
|
250
|
290
|
320
|
360
|
420
|
440
|
480
|
|
b
|
D
|
161
|
190
|
220
|
260
|
300
|
350
|
400
|
425
|
450
|
500
|
550
|
600
|
650
|
|
L1
|
167
|
202
|
242
|
282
|
330
|
380
|
380
|
450
|
450
|
540
|
540
|
540
|
540
|
|
Lm
|
280
|
310
|
350
|
410
|
470
|
540
|
560
|
640
|
670
|
760
|
800
|
830
|
850
|
|
d2
|
110
|
140
|
160
|
190
|
200
|
220
|
250
|
290
|
320
|
360
|
420
|
440
|
480
|
|
B
|
95
|
120
|
140
|
160
|
180
|
200
|
240
|
280
|
300
|
320
|
360
|
380
|
380
|
|
m
|
D
|
160
|
180
|
220
|
260
|
300
|
350
|
400
|
425
|
450
|
500
|
550
|
600
|
650
|
|
L1
|
100
|
120
|
140
|
160
|
180
|
200
|
220
|
240
|
260
|
280
|
280
|
280
|
300
|
|
Lm
|
280
|
310
|
350
|
410
|
470
|
540
|
560
|
640
|
670
|
760
|
800
|
830
|
850
|
|
R1
|
70
|
80
|
100
|
120
|
140
|
160
|
180
|
200
|
220
|
240
|
260
|
300
|
320
|
|
d2
|
110
|
140
|
160
|
190
|
200
|
220
|
250
|
290
|
320
|
380
|
420
|
440
|
460
|
|