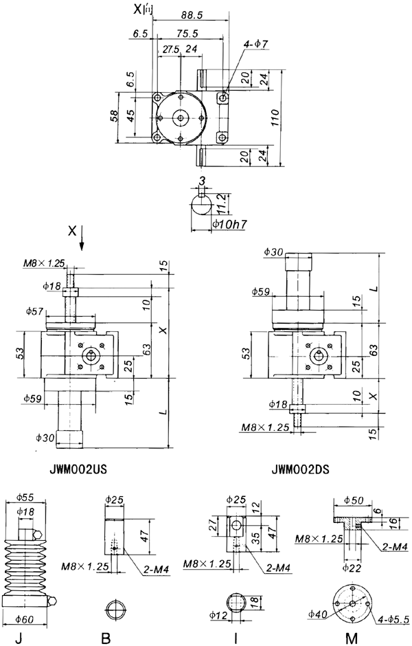
JWM002梯形絲杠升降機外形尺寸
www.xuexigo.cn 格魯夫機械 2015-04-20 09:00:56
點擊:

JWM002
|
|
US
|
|
X
|
X⑴
|
L
|
m(kg)
|
|
MIN
|
MAX
|
MIN
|
MAX
|
|
100
|
73
|
173
|
127
|
227
|
184
|
2.3
|
|
200
|
73
|
273
|
127
|
327
|
284
|
2.4
|
|
300
|
73
|
373
|
167
|
467
|
424
|
2.6
|
|
400
|
73
|
473
|
167
|
567
|
524
|
2.7
|
|
|
DS
|
|
X
|
X⑴
|
L
|
m(kg)
|
|
MIN
|
MAX
|
MIN
|
MAX
|
|
100
|
20
|
120
|
65
|
165
|
184
|
2.3
|
|
200
|
20
|
220
|
65
|
265
|
284
|
2.4
|
|
300
|
20
|
320
|
105
|
405
|
424
|
2.6
|
|
400
|
20
|
420
|
105
|
505
|
524
|
2.7
|
|
|
UR
|
|
X
|
Y
|
m(kg)
|
|
MIN
|
MAX
|
|
100
|
84
|
184
|
207
|
2.6
|
|
200
|
84
|
284
|
307
|
2.6
|
|
300
|
84
|
384
|
407
|
2.7
|
|
400
|
84
|
484
|
507
|
2.8
|
|
|
DR
|
|
X
|
Y
|
m(kg)
|
|
MIN
|
MAX
|
|
100
|
35
|
135
|
145
|
2.6
|
|
200
|
35
|
235
|
245
|
2.6
|
|
300
|
35
|
335
|
345
|
2.7
|
|
400
|
35
|
435
|
445
|
2.8
|