
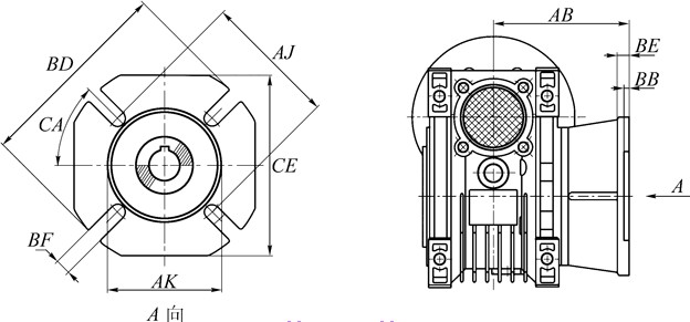
|
025 |
030
|
040
|
050
|
063
|
075
|
090
|
110
|
130
|
150
|
|
|
AB
|
45
|
54.5
|
67
|
90
|
82
|
102
|
111
|
131
|
140
|
155
|
|
AJ
|
55
|
68
|
80
|
85
|
150
|
165
|
175
|
230
|
255
|
255
|
|
AK
|
40
|
50
|
60
|
70
|
115
|
130
|
152
|
170
|
180
|
180
|
|
BB
|
3
|
4
|
4
|
5
|
6
|
6
|
6
|
6
|
6
|
7
|
|
BD
|
75
|
80
|
110
|
125
|
180
|
200
|
210
|
280
|
320
|
320
|
|
BE
|
6
|
6
|
7
|
9
|
10
|
13
|
13
|
15
|
15
|
15
|
|
BF
|
6.5(n.4)
|
6.5(n.4)
|
9(n.4)
|
11(n.4)
|
11(n.4)
|
14(n.4)
|
14(n.4)
|
ф14(n.8)
|
ф16(n.8)
|
ф16(n.8)
|
|
CA
|
45°
|
45°
|
45°
|
45°
|
45°
|
45°
|
45°
|
45°
|
22.5°
|
22.5°
|
|
CE
|
70
|
70
|
95
|
110
|
142
|
170
|
200
|
260
|
290
|
290
|