
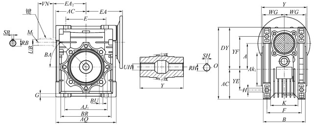
|
|
025
|
030
|
040
|
050
|
063
|
075
|
090
|
110
|
130
|
150
|
|
A
|
25
|
30
|
40
|
50
|
63
|
75
|
90
|
110
|
130
|
150
|
|
AC
|
35
|
40
|
50
|
60
|
72
|
86
|
103
|
127.5
|
147.5
|
170
|
|
AJ1
|
55
|
65
|
75
|
85
|
95
|
115
|
130
|
165
|
215
|
215
|
|
AK1
|
45
|
55
|
60
|
70
|
80
|
95
|
110
|
130
|
180
|
180
|
|
AQ
|
70
|
80
|
100
|
120
|
144
|
172
|
206
|
252
|
292
|
340
|
|
B
|
42
|
56
|
71
|
85
|
103
|
112
|
130
|
144
|
155
|
185
|
|
BA
|
10°
|
0°
|
45°
|
45°
|
45°
|
45°
|
45°
|
45°
|
45°
|
45°
|
|
BR
|
65
|
75
|
87
|
100
|
110
|
140
|
160
|
200
|
250
|
250
|
|
BU
|
ф6.5
(n.3)
|
M6×11
(n.4)
|
M6×8
(n.4)
|
M8×10
(n.4)
|
M8×14
(n.8)
|
M8×14
(n.8)
|
M10×18
(n.8)
|
M10×18
(n.8)
|
M12×21
(n.8)
|
M12×21
(n.8)
|
|
DY
|
48
|
57
|
71
|
84
|
102
|
119
|
135
|
167.5
|
187.5
|
230
|
|
E
|
45
|
54
|
70
|
80
|
100
|
120
|
140
|
170
|
200
|
240
|
|
EA
|
45
|
63
|
71
|
80
|
95
|
112.5
|
130
|
160
|
180
|
210
|
|
EA2
|
-
|
45
|
53
|
64
|
75
|
90
|
108
|
135
|
155
|
175
|
|
F
|
34
|
44
|
60
|
70
|
85
|
90
|
100
|
115
|
120
|
145
|
|
G
|
5
|
5.5
|
6.5
|
7
|
8
|
10
|
11
|
15
|
15
|
18
|
|
H
|
6
|
6.5
|
7
|
8.5
|
8.5
|
11
|
13
|
14
|
16
|
18
|
|
K
|
22
|
32
|
43
|
49
|
67
|
72
|
74
|
-
|
-
|
-
|
|
M1
|
-
|
-
|
-
|
M6
|
M6
|
M8
|
M8
|
M10
|
M10
|
M12
|
|
O
|
83
|
97
|
121
|
144
|
174
|
205
|
238
|
295
|
335
|
400
|
|
RB
|
-
|
10.2
|
12.5
|
16
|
21.5
|
27
|
27
|
31
|
33
|
38
|
|
RH
|
12.8
|
16.3
|
20.8
|
28.3
|
28.3
|
31.3
|
38.3
|
45.3
|
48.8
|
53.8
|
|
SB
|
-
|
3
|
4
|
5
|
6
|
8
|
8
|
8
|
8
|
10
|
|
SH
|
4
|
5
|
6
|
8
|
8
|
8
|
10
|
12
|
14
|
14
|
|
UB
|
-
|
9
|
11
|
14
|
19
|
24
|
24
|
28
|
30
|
35
|
|
UH
|
11
|
14
|
18
|
25
|
25
|
28
|
35
|
42
|
45
|
50
|
|
VN
|
-
|
20
|
23
|
30
|
40
|
50
|
50
|
60
|
80
|
80
|
|
WG
|
22.5
|
29
|
36.5
|
43.5
|
53
|
57
|
67
|
74
|
81
|
96
|
|
Y
|
50
|
63
|
78
|
92
|
112
|
120
|
140
|
155
|
170
|
200
|
|
YE
|
22
|
27
|
35
|
40
|
50
|
60
|
70
|
85
|
100
|
120
|
|
YF
|
35.5
|
44
|
55
|
64
|
80
|
93
|
102
|
125
|
140
|
180
|
|
重量(kg)
|
0.7
|
1.3
|
2.3
|
3.5
|
6.2
|
9
|
13
|
35
|
48
|
84
|
