Page 9 - 升降齒條|高速絲桿升降機在線選型樣本|
P. 9
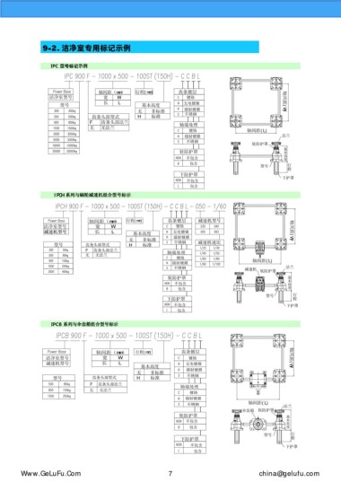
9-2. 潔凈室專用標記示例
IPC 型號標記示例
軸間距(mm) 行程(mm) 齒條鍍層
潔凈室型號 寬 W 鍍鉻
長 L 無電鍍鎳 軸間距(W)
型號 基本高度
無 非標準 鐳射鍍膜
齒條頭部型式 H 標準 不銹鋼
F 齒條頭部法蘭 軸端處理
無 無法蘭
鍍鉻 軸間距(L)
鐳射鍍膜 法蘭
不銹鋼
軟防護罩
基
軟防護罩 本
不包含 高
度
包含
型號 行
程
下防護罩 下護罩
不包含
包含
IPCH 系列與蝸輪減速機組合型號標示
軸間距(mm) 行程(mm) 齒條鍍層 減速機型號
潔凈室型號 寬 W 鍍鉻
減速機型號
減速機型號 長 L 基本高度 無電鍍鎳 軸間距(W)
無 非標準 鐳射鍍膜
型號 齒條頭部型式 H 標準 不銹鋼 減速機速比
F 齒條頭部法蘭 軸端處理
無 無法蘭
鍍鉻
鐳射鍍膜 軸間距(L)
不銹鋼 減速機 軟防護罩 法蘭
軟防護罩 基
本
不包含 高
包含 度
型號 行
下防護罩 程
不包含 下護罩
包含
IPCB 系列與傘齒箱組合型號標示
軸間距(mm) 行程(mm) 齒條鍍層
潔凈室型號 寬 W 鍍鉻 軸間距(W)
減速機型號 長 L 無電鍍鎳
基本高度
無 非標準 鐳射鍍膜
型號 齒條頭部型式 H 標準 不銹鋼
F 齒條頭部法蘭
軸端處理
無 無法蘭
鍍鉻
鐳射鍍膜
軸間距(L)
不銹鋼
法蘭
傘齒箱 軟防護罩
軟防護罩 基
不包含 本
高
包含 度
型號 行
下防護罩 程
不包含 下護罩
包含
www.xuexigo.cn 7 china@gelufu.com

